
東莞市精準機電科技有限公司
電 話:0769-82658821
傳 真:0769-89026606
手 機:18928261121
聯系人:陳先生 (技術咨詢)
網 址 : www.shenyangcom.cn
地 址:廣東省東莞市長安鎮新安社區橫崗頭工業區

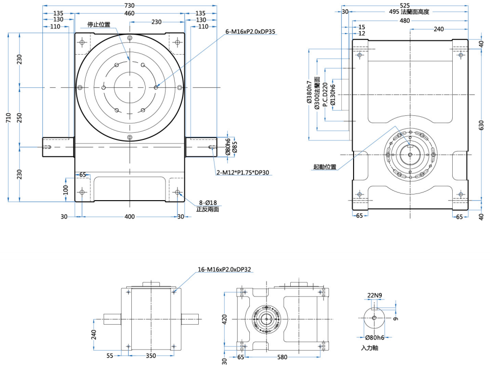
技術參數:
項目 | 符號 | 單位 | 數值 |
出力軸容許徑向負荷 | C1 | kgf | 3200 |
出力軸容許軸向負荷 | C2 | kgf | 4150 |
出力軸容許力矩 | Ts | kgf-m | 參考力矩表 |
入力軸容許徑向負荷 | C3 | kgf | 1550 |
入力軸最大彎曲力矩 | C4 | kgf | 3800 |
入力軸最大扭矩 | C5 | kgf-m | 780 |
入力軸的GD2(注1) | C6 | kgf-m2 | 1.98 |
定位分割精度 | sec. | ±30 | |
重量 | kg | 685 | |
注1:入力軸的GD2是在停留范圍內的數值 | 注2:C1至C5數值是達到安全系數=2時的數值 | ||