
東莞市精準機電科技有限公司
電 話:0769-82658821
傳 真:0769-89026606
手 機:18928261121
聯系人:陳先生 (技術咨詢)
網 址 : www.shenyangcom.cn
地 址:廣東省東莞市長安鎮新安社區橫崗頭工業區

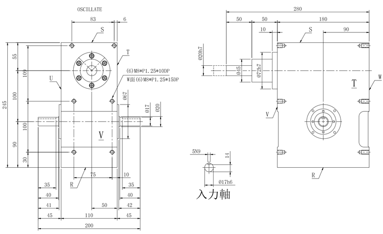
技術參數:
項目 | 符號 | 單位 | 數值 |
出力軸容許徑向負荷 | C1 | kgf | 25 |
出力軸容許軸向負荷 | C2 | kgf | 170 |
出力軸容許力矩 | Ts | kgf-m | 參考力矩表 |
入力軸容許徑向負荷 | C3 | kgf | 100 |
入力軸最大彎曲力矩 | C4 | kgf | 110 |
入力軸最大扭矩 | C5 | kgf-m | 7 |
入力軸的GD2(注1) | C6 | kgf-m2 | 0.0015 |
定位分割精度 | sec. | ±0.01 | |
重量 | kg | 27 |